Beating the Rain: My Brushless Motor Windshield Experiment

The Problem: Raindrops vs. Visibility
If you’ve ever driven in the middle of a downpour, you know how tricky it gets. Raindrops scatter across the windshield, distort the view, and make every turn of the steering wheel a little more stressful. Traditional wipers do what they can, but they come with their own list of flaws:
- They leave streaks that blur vision.
 - They can’t always keep up with heavy rainfall.
 - They squeak or judder against the glass when worn out.
 - And eventually, they just need replacing.
 
This got me thinking: for decades, cars have relied on essentially the same old solution. Surely there’s another way? Something faster, cleaner, and maybe even futuristic.
The Idea: Repelling Rain with a Brushless Drone Motor
That’s when a thought struck me: what if we didn’t “wipe” the water at all? What if we used airflow to prevent the raindrops from sticking to the glass in the first place?
Brushless drone motors are small but incredibly powerful. They can spin at insane speeds — much faster than any wiper blade could ever move. I decided to try connecting one to create a high-speed airflow directly across the windshield. The goal was simple: instead of fighting rain after it lands, I wanted to push it away before it even becomes a problem.
It sounds simple now, but setting it up was an experiment full of trial and error. Still, the concept itself felt exciting.
Why This Could Be Better ?
As I played around with the idea, I realized there were some very real benefits to using a drone motor instead of wipers:
- Speed advantage: Drone motors spin thousands of times per minute, creating a rapid shield of airflow. Rain simply doesn’t stand a chance to settle.
 - A futuristic approach: Imagine future cars coming without the old clunky wipers — just a sleek windshield that stays clear through smart engineering.
 - Reduced wear and tear: Wiper blades constantly rub against glass, wearing out both themselves and sometimes even the windshield coating. A motor-based system avoids that.
 - Less distraction: Instead of mechanical arms going back and forth in your line of sight, you’d have a clear, unobstructed view.
 
Of course, this is still early-stage thinking, but the advantages were promising enough for me to take it further.
My Personal Journey
This wasn’t a “what if” stuck in my head — I went ahead and built it. I wanted to see how far the idea could go, so I began creating and testing different prototypes.


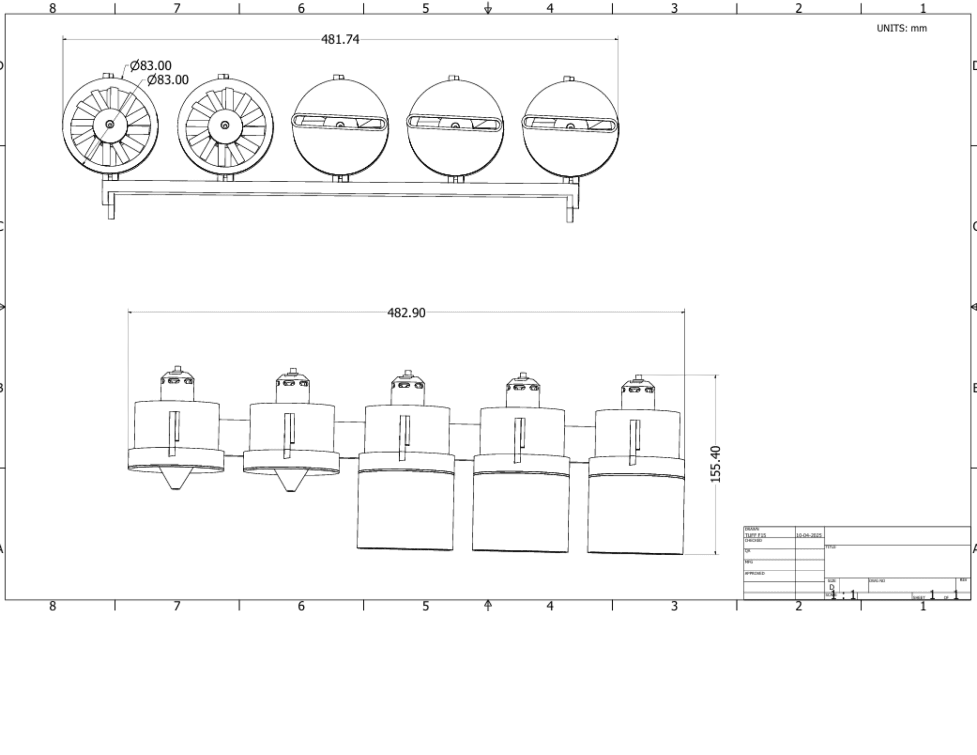
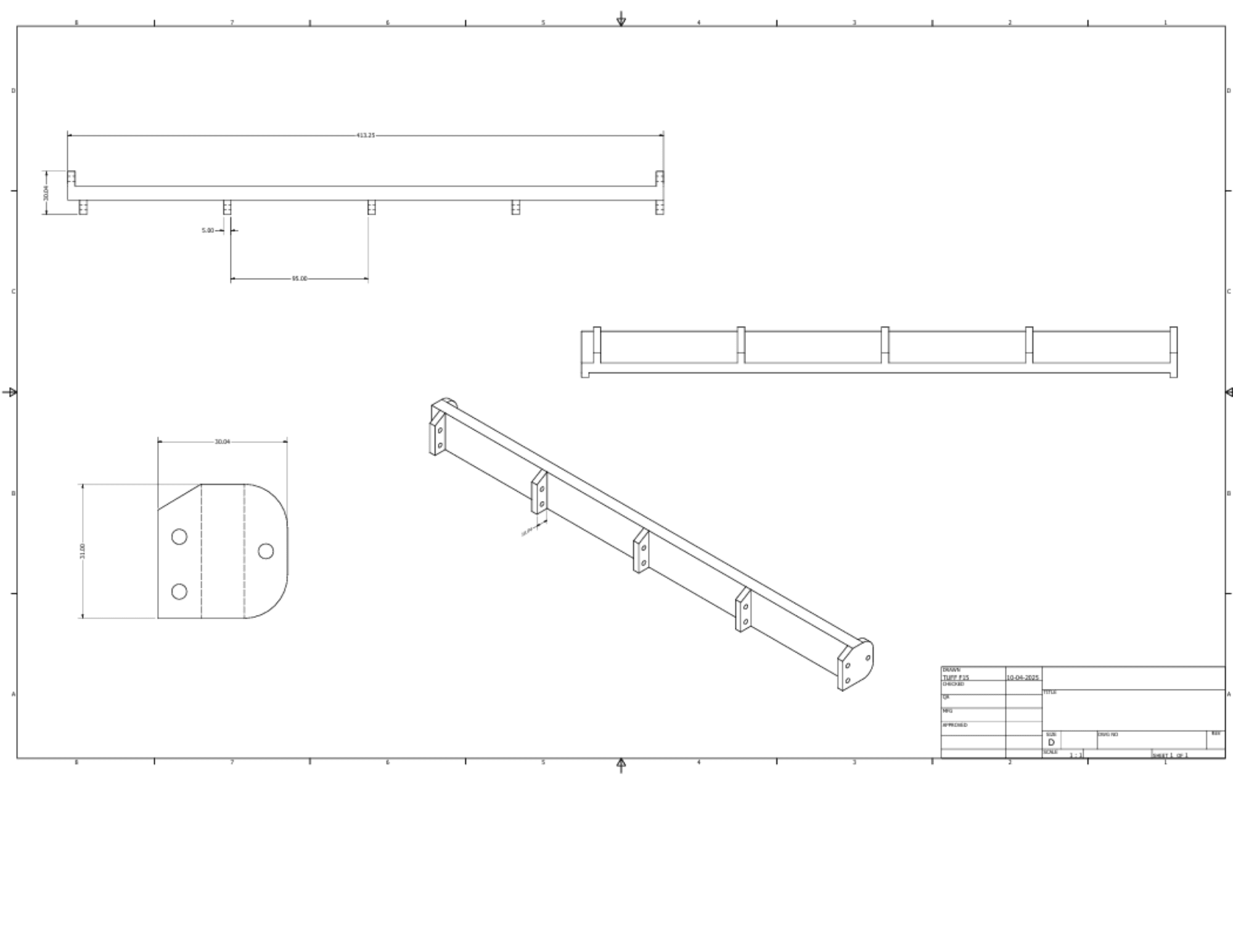
Prototype 1
This was my first attempt. It wasn’t perfect, but it was proof that the idea could actually work.
Calculation for power:
https://www.canva.com/design/DAGxoq_5jp8/AkXFfvZUM63JYkhAXYiUaA/viewPrototype 1 Final Testing Video:
Prototype 1 Final Conclusion:
The Air is splitting up and is leaking from through the body, as a result of which combined thrust using 5 motors are NOT achieved efficiently. Hence, its not able to deviate rain.
Possible solutions ?
Well, an air tight body can be created to stop the air from leaking through sides, along with the reduced width of the front part. BUT! it is extremely hard to achieve an air tight body with those BIG dimensions through 3d Printing.
Another solution is to use individual motors “together” by a concentrating the air through a tunnel like structure.


Eureka!!! ??
E. D. F ! Electronic Ducted Fan
After learning from the first build, I made adjustments and improvements for the second prototype. This one gave me a clearer sense of how the design could evolve into something practical.
I experimented that EDF alone can generate enough thrust and does not requires an air tight body, reducing the cost, giving more thrust and improving the aesthetics for the whole design.

Prototype 2 Testing Video:
Major Question ! Can it deviate rain ?
Let see what a single EDF does to a water stream !
video of edf with water stream
Prototype 2 Final Conclusion:
YES! A single EDF as we saw is capable enough to deviate a heavy stream of water surely any array of these works with tiny water droplet and makes an AIR curtain that prevents water/rain drops from sticking to windshield, giving one a clear and smooth journey.
Possible upgrades:
- Reverse CCW blades can be customized for the EDF to work from back-to-front instead of front-to-back.
 - The whole assembly can be powered with the CAR battery for longer use.
 - Surely the brushless motors are powerful but are not suitable for continuous use (over 1hr). Hence some customized motor can be used which are powerful and durable enough to provide sufficient thrust as well as longer continuous run-time.
 

Lessons Learned
Working on these prototypes taught me a few things:
- Small changes make a big difference. Even the angle of airflow can decide whether raindrops slide away cleanly or scatter unpredictably.
 - The balance between power and practicality is key. A drone motor can repel rain, but it also needs to be quiet, efficient, and safe for real-world use.
 - Innovation takes patience. The first version wasn’t anywhere close to perfect, but each step forward gave me new ideas.
 
Wrapping Up
This whole experiment is still in its early stages, but I truly believe there’s potential here. Cars have used wipers for over a century with only small improvements. Maybe it’s time to think differently.
What started as a fun idea — hooking up a drone motor to a windshield — turned into something that could hint at the future of rain protection for vehicles. Whether or not this exact design makes it to real cars, the thought process behind it reminds me why I love experimenting: sometimes, the best solutions come when you stop following the old patterns and start asking “what if?”
